Zu3
JAKA Zu3
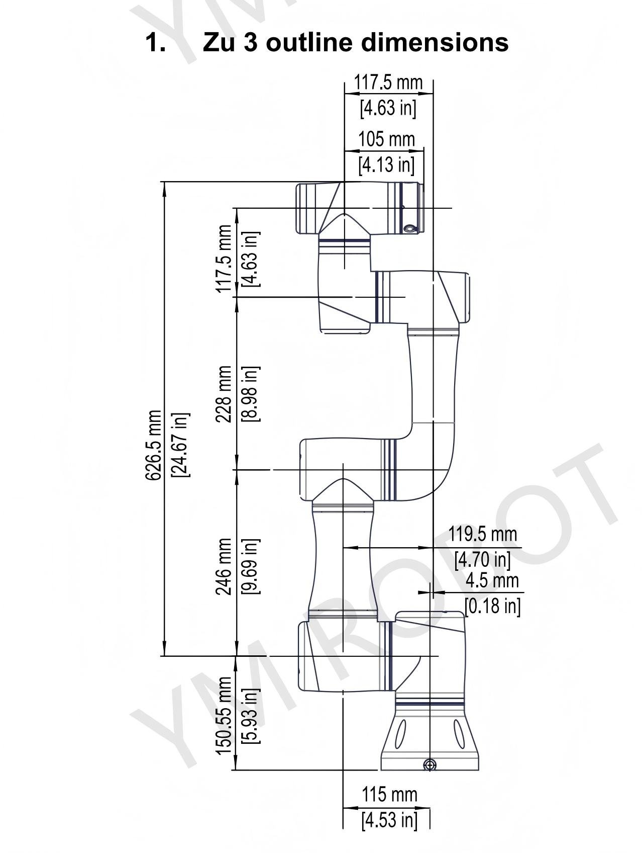
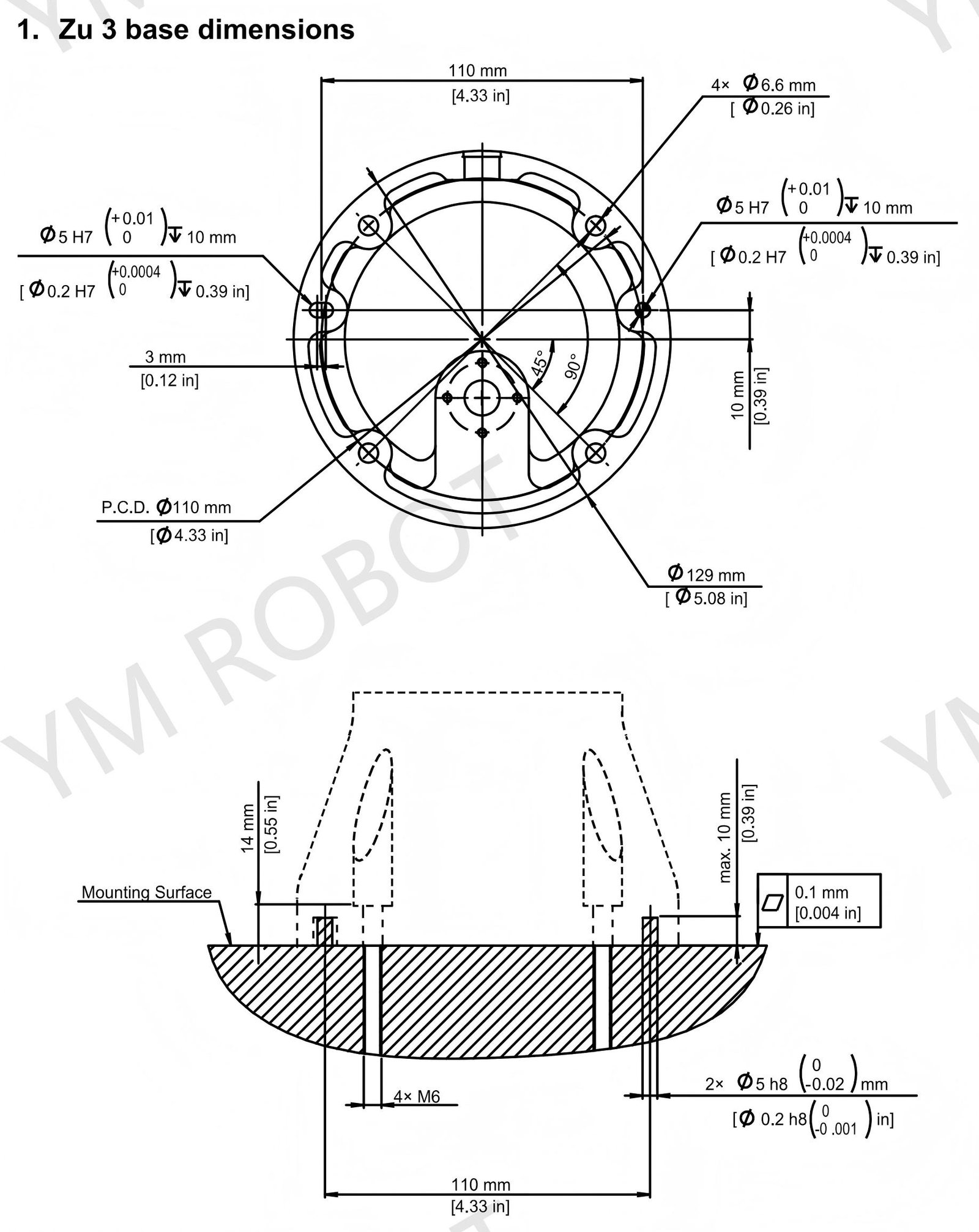
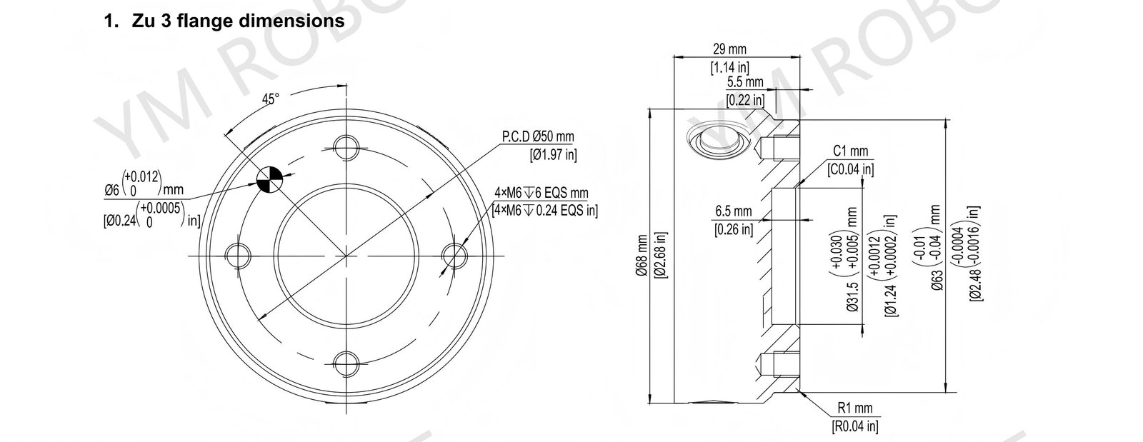
Payload: 3 kg, Weight: 12 kg, Reach: 626 mm
Human-robot-environment collaborative integration Payload 3 kg, Self-weight 12 kg, Reach 626 mm Integrated joint design, easy to assemble and disassemble Small size with high precision, adaptable to narrow space installation and competent for high-precision operation tasks






Write your message here and send it to us







