BA006L
Overarm Arc Welding Robot
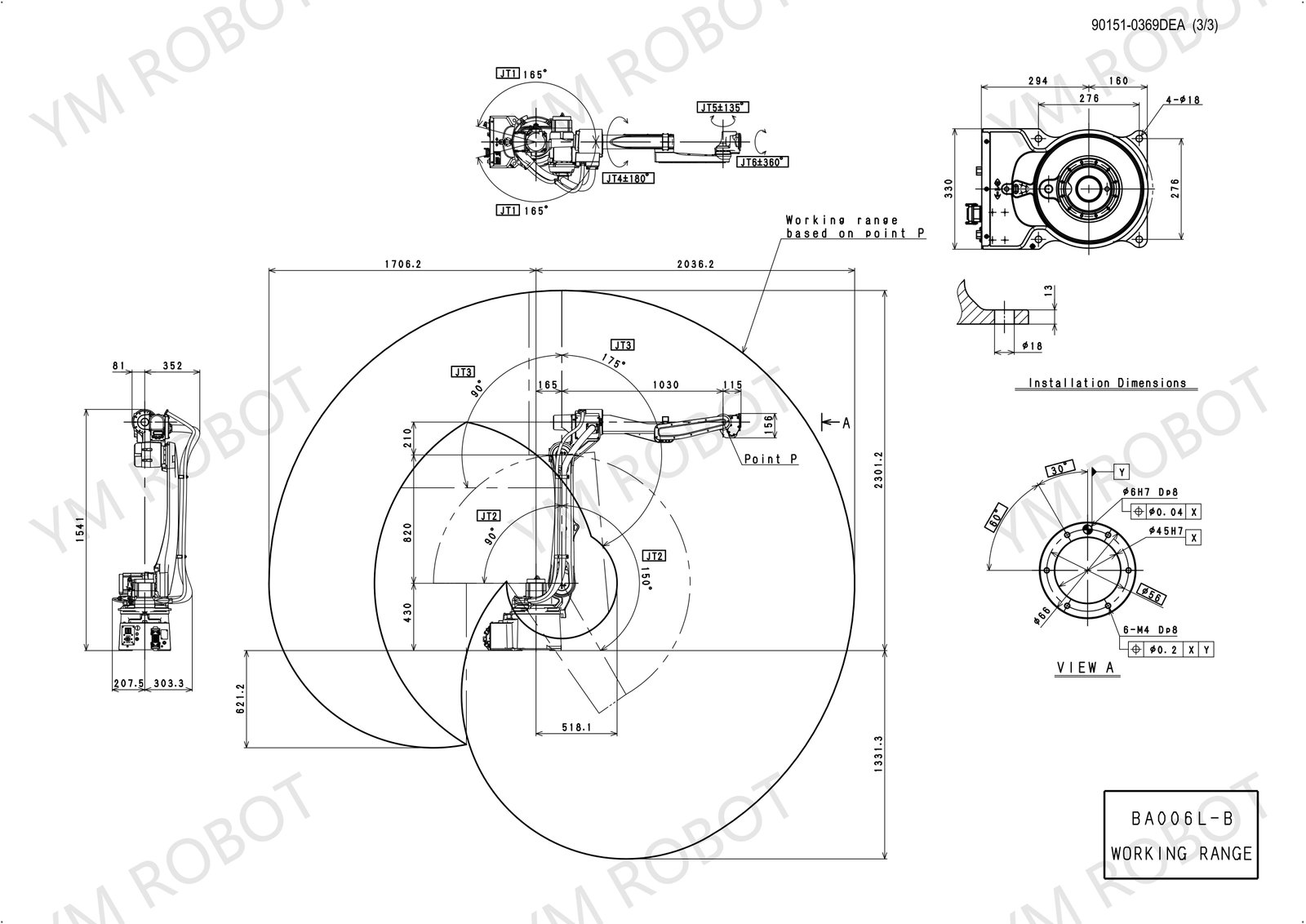
The BA006L arc welding robot features a maximum reach of 2,036 mm and incorporates a hollow wrist structure for simplified cable and hose management around the welding torch. This enables stable wire feeding and reliable offline teaching. This high-performance robot helps you enhance product quality while alleviating labor shortages.


Write your message here and send it to us










